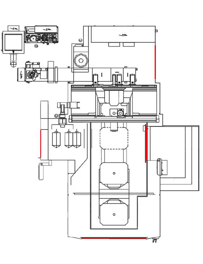
Safety Doors

Select HELLER H10000 Series Machine

The task of safety doors is to protect operators from moving machine parts.

The safety doors are manually operated. They are electrically protected and locked so that they cannot be opened inadvertently. The lock closes by spring action and is opened electro-magnetically. This is the way it behaves:

  • With the control unit switched off, the safety doors are closed and locked, and cannot be opened. A safety door is always locked after it is closed.
  • With the control unit switched on, the safety doors can be locked and unlocked from the appropriate control unit. The control unit monitors the machine status and processes the instructions in accordance with the safety system.

The work area safety door can be secured in the open state using a padlock so that it cannot be closed.

The following safety doors are electrically monitored and can be unlocked or locked and/or opened or closed via either direct keys (operating panel) or a special HMI screen (individual functions).

Click image to see brief description of the safety door.

The task of safety doors is to protect operators from moving machine parts.

The safety doors are manually operated. They are electrically protected and locked so that they cannot be opened inadvertently. The lock closes by spring action and is opened electro-magnetically. This is the way it behaves:

  • With the control unit switched off, the safety doors are closed and locked, and cannot be opened. A safety door is always locked after it is closed.
  • With the control unit switched on, the safety doors can be locked and unlocked from the appropriate control unit. The control unit monitors the machine status and processes the instructions in accordance with the safety system.

The work area safety door can be secured in the open state using a padlock so that it cannot be closed.

The following safety doors are electrically monitored and can be unlocked or locked and/or opened or closed via either direct keys (operating panel) or a special HMI screen (individual functions).

Click image to see brief description of the safety door.